2001 Chevy Silverado Wiring Diagram - Chevrolet Silverado 2007 2014 Wiring Diagram Youtube - It reveals the components of the circuit as simpli.. This provides all you need to connect a trailer to the tow vehicle. It reveals the components of the circuit as simpli. 2001 chevy silverado 2500 6.0 a/t, fuel pump relay is not being energized when cranking, there is bat volts at #30+ terminal of relay but no power to fuel pump. Image result for drl wiring schematics 03 silverado. Light duty full size silverado/sierra truck electrical manuals.

2001 chevy silverado 2500 6.0 a/t, fuel pump relay is not being energized when cranking, there is bat volts at #30+ terminal of relay but no power to fuel pump. There are several generations of this popular chevy truck, and today i'll be showing. Looking for a wiring diagram for a 2001 chevy express 3500 van. 10 pin connection, 9 wires, which are power and ground? Body wiring provisions, trailer wiring.

2001 Chevy Silverado Stereo Wiring 5 7l Chevy Engine Parts Diagram Bedebis Waystar Fr
2001 Chevy Silverado Stereo Wiring 5 7l Chevy Engine Parts Diagram Bedebis Waystar Fr from baseddiagram.regisgarraud.fr
With pictures diagrams and in depth explanations coupled with step by step instructions, i am very pleased. Here's the headlight wiring diagram for a chevrolet silverado with drl. Thank you for such an. These diagrams are easier to read once they are printed. 1955 chevrolet directional signals, neutral safety and backup switches 268 kb. If you want to troubleshoot a headlight problem in your chevrolet siverado, you'll need this headlight wiring diagram. 1936 chevy color wiring diagram. Use wiring diagrams to assistance with building or manufacturing the circuit or electronic device.

There are several generations of this popular chevy truck, and today i'll be showing.

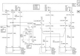
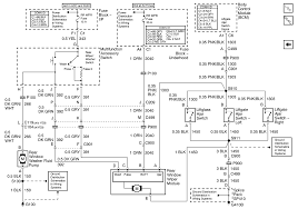
Chevy silverado 2001, custom wiring connector by curt®. Pdf documents that include descriptions and operation information on the body control system, datalink comm, bcm, headlamp, trailer wiring, brake control, junction. And would like to share them, please send to chevymanuals@yahoo.com. I have a 1996 chevy silverado with a 5.7. I need a wiring diagram of the switch. 2001 chevy silverado 2500 6.0 a/t, fuel pump relay is not being energized when cranking, there is bat volts at #30+ terminal of relay but no power to fuel pump. Chevy truck 1965 engine compartment wiring diagram 151 kb. Orange car radio accessory switched 12v+ wire: They are also ideal for making repairs. Fuse box in passenger compartment. Chevrolet wiring diagram v8 1959 electrical system 189 kb. I have a 2001 cruiser with almost 190,000 mls. Car radio battery constant 12v+ wire:

Chevrolet cruze additional relay compartment in engine box. A few weeks ago i had my friend who is a mechanic replace the power steering pump, serpentine belt Yellow car radio ground wire: Chevrolet cruze stereo wiring diagram. Whether your an expert chevrolet silverado 1500 car alarm installer chevrolet silverado 1500 performance fan or a novice chevrolet silverad.

Wiring Diagram For Instrument Cluster Plug Ls1tech Camaro And Firebird Forum Discussion
Wiring Diagram For Instrument Cluster Plug Ls1tech Camaro And Firebird Forum Discussion from ls1tech.com
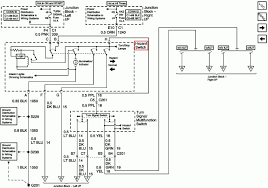
Looking for a wiring diagram for a 2001 chevy express 3500 van. 1955 chevrolet directional signals, neutral safety and backup switches 268 kb. Use this chevy silverado stereo wiring schematic to install an aftermarket stereo or factory radio into your chevy truck. Chevrolet cruze stereo wiring diagram. 2001 chevy silverado 2500 6.0 a/t, fuel pump relay is not being energized when cranking, there is bat volts at #30+ terminal of relay but no power to fuel pump. Chevy truck forum | silverado sierra gmc truck forums. Pdf documents that include descriptions and operation information on the body control system, datalink comm, bcm, headlamp, trailer wiring, brake control, junction. Installing a stereo into your chevy silverado is easy to do with our truck audio wiring diagram.

10 pin connection, 9 wires, which are power and ground?

This provides all you need to connect a trailer to the tow vehicle. Chevrolet cruze additional relay compartment in engine box. It reveals the components of the circuit as simpli. 2001 chevy silverado 2500 6.0 a/t, fuel pump relay is not being energized when cranking, there is bat volts at #30+ terminal of relay but no power to fuel pump. I have a 1996 chevy silverado with a 5.7. Installing a stereo into your chevy silverado is easy to do with our truck audio wiring diagram. Where would i get a 2001 wiring diagram for a silverado chevy truck? Wiring diagram for firing order for 1992 chevy silverado. Chevy truck 1965 engine compartment wiring diagram 151 kb. Thank you for such an. Chevy silverado 2001, custom wiring connector by curt®. Yellow car radio ground wire: Pdf documents that include descriptions and operation information on the body control system, datalink comm, bcm, headlamp, trailer wiring, brake control, junction.

Black car radio illumination wire: This site might help you. I have a 2001 cruiser with almost 190,000 mls. Wiring diagram for firing order for 1992 chevy silverado. 10 pin connection, 9 wires, which are power and ground?

2001 Chevy 1500 Wiring Diagram Wiring Diagram Server Rock Accurate Rock Accurate Ristoranteitredenari It
2001 Chevy 1500 Wiring Diagram Wiring Diagram Server Rock Accurate Rock Accurate Ristoranteitredenari It from www.fixya.com
Caravan towing plug wiring diagram. A wiring diagram is a simple visual representation of the physical connections and physical layout of an electrical system or circuit. 2003 chevy silverado wiring diagram. I have a 2001 cruiser with almost 190,000 mls. This provides all you need to connect a trailer to the tow vehicle. And would like to share them, please send to chevymanuals@yahoo.com. Chevrolet silverado 1500, chevrolet silverado 2500. This site might help you.

Chevrolet cruze additional relay compartment in engine box.

You can get a 2001 chevy express wiring diagram at your local library. Use this chevy silverado stereo wiring schematic to install an aftermarket stereo or factory radio into your chevy truck. Light duty full size silverado/sierra truck electrical manuals. 2003 chevy silverado wiring diagram. Here you will find fuse box diagrams of chevrolet silverado 1999, 2000, 2001, 2002, 2003, 2004, 2005. Chevrolet wiring diagram v8 1959 electrical system 189 kb. And would like to share them, please send to chevymanuals@yahoo.com. Chevy truck 1965 engine compartment wiring diagram 151 kb. Gray car stereo dimmer wire: Lacetti scheme of starting the engine and charging the battery. A few weeks ago i had my friend who is a mechanic replace the power steering pump, serpentine belt Lacetti ignition switch circuit diagram. Thank you for such an.

By